8 (800) 775 40 55
Звонок из регионов России
бесплатный!
бесплатный!
Профессиональный строительный инструмент и оборудование
Каталог инструментов
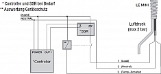
Промышленный мини нагреватель воздуха Leister LE Mini
Промышленный мини нагреватель воздуха Leister LE Mini (Ляйстер ЛЕ Мини) – самый маленький в мире промышленный нагреватель с отдельной подачей воздуха, отлично подходит для точечного нагрева и работы в ограниченном пространстве.
Производитель: LEISTER (ЛЯЙСТЕР) – Швейцария.
Преимущества промышленного мини нагревателя воздуха Leister LE Mini:
- Минимальные размеры
- Отдельная подача воздуха
- Встроенный датчик температуры
- Термовыключатель для защиты аппарата
| Изображение | Артикул | Наименование |
| 107.282 | Фланцевая насадка, насаживается, a = 40 мм | |
| 107.144 | Стандартная насадка, насаживается, Ø 5 мм | |
| 107.145 | Стандартная насадка, насаживается, Ø 10 мм | |
| 107.152 | Угловая насадка, насаживается, Ø 12 мм | |
| 107.310 | Решетчатая рефлекторная насадка, насаживается, a × b: 20 × 35 мм | |
| 107.311 | Решетчатая рефлекторная насадка, насаживается, a × b: 50 × 35 мм | |
| 107.324 | Решетчатая рефлекторная насадка, насаживается на стандартную насадку Ø 5 мм, a = 10 мм | |
| 105.549 | Широкая щелевая насадка, насаживается, a × b: 10 × 2 мм, изогнутая | |
| 105.559 | Широкая щелевая насадка, насаживается, a × b: 20 × 2 мм, длина 55 мм | |
| 105.548 | Широкая щелевая насадка, насаживается, a × b: 40 × 5 мм | |
| 105.547 | Широкая щелевая насадка, насаживается, a × b: 50 × 8 мм | |
| 117.955 | Адаптер, навинчивается, для насадок LE 700 (LE Mini и LE Mini Sensor) | |
| 129.407 | Удлинительный кабель 2 м, со штепселем и муфтой (LE Mini Sensor и LE Mini Sensor Kit) | |
| 144.030 | Контрольный кабель, 1 м, на одном конце RJ45, другой конец неразделанный | |
| 144.028 | Контрольный кабель, 3 м, на одном конце RJ45, другой конец неразделанный | |
| 144.026 | Контрольный кабель, 5 м, на одном конце RJ45, другой конец неразделанный |
Цена и технические характеристики промышленного мини нагревателя воздуха Leister LE Mini:
Технический паяльный фен
-
Компрессор для промывки системы отопления Brexit BrexPulse 1000Мощность: 1,5 кВтДавление: 8 барЦена: 143 925 руб.
-
Алмазные коронки по железобетону Kern Diamond Bit Concrete Premium 500 ммДиаметр: 500 ммРабочая длина: 450 ммЦена: по запросу
-
Алмазная коронка для сухого бурения с микроударом Адель Diamond Hit DH-D400 112 ммДиаметр: 112 ммРабочая длина: 450 ммЦена: 8 000 руб.
-
Бесщеточная дрель с микроударом для алмазного бурения Keos Pulsar KS-158Диаметр отверстий: 10 - 132 ммМощность: 1,8 кВтЦена: 39 900 руб.
-
Алмазная коронка для сухого бурения с микроударом Адель Diamond Hit DH-D401 162 ммДиаметр: 162 ммРабочая длина: 450 ммЦена: 13 200 руб.
-
Алмазная коронка для сухого бурения с микроударом Адель Diamond Hit DH-D400 126 ммДиаметр: 126 ммРабочая длина: 450 ммЦена: 8 900 руб.
-
Ручной гидравлический трубогиб Kern до 1 с закрытой рамойДиаметр труб: 12 - 34 мм (1/4" - 1")Толщина стенки труб: 1 - 3,5 ммЦена: 22 443 руб.
-
Установка с микроударом для сухого алмазного бурения Eibenstock DSE 162Диаметр отверстий: 82 - 202 (162) ммМощность: 2,2 кВтЦена: 243 270 руб.
Новости
-
26.11.2025Новые поступления для серьёзной работы: спираль и адаптер от Crocodile
-
21.11.2024Поступление желобонакатчиков GruvMaster - Новинка на Российском рынке!
-
27.12.2023С новым 2024 годом!
-
20.12.2022Режим работы в Новогодние праздники
-
12.10.2022ФСБ сообщила о попытке теракта с ПЗРК «Игла» в Подмосковье








Отзывы
Оставьте Ваш отзыв